Overview
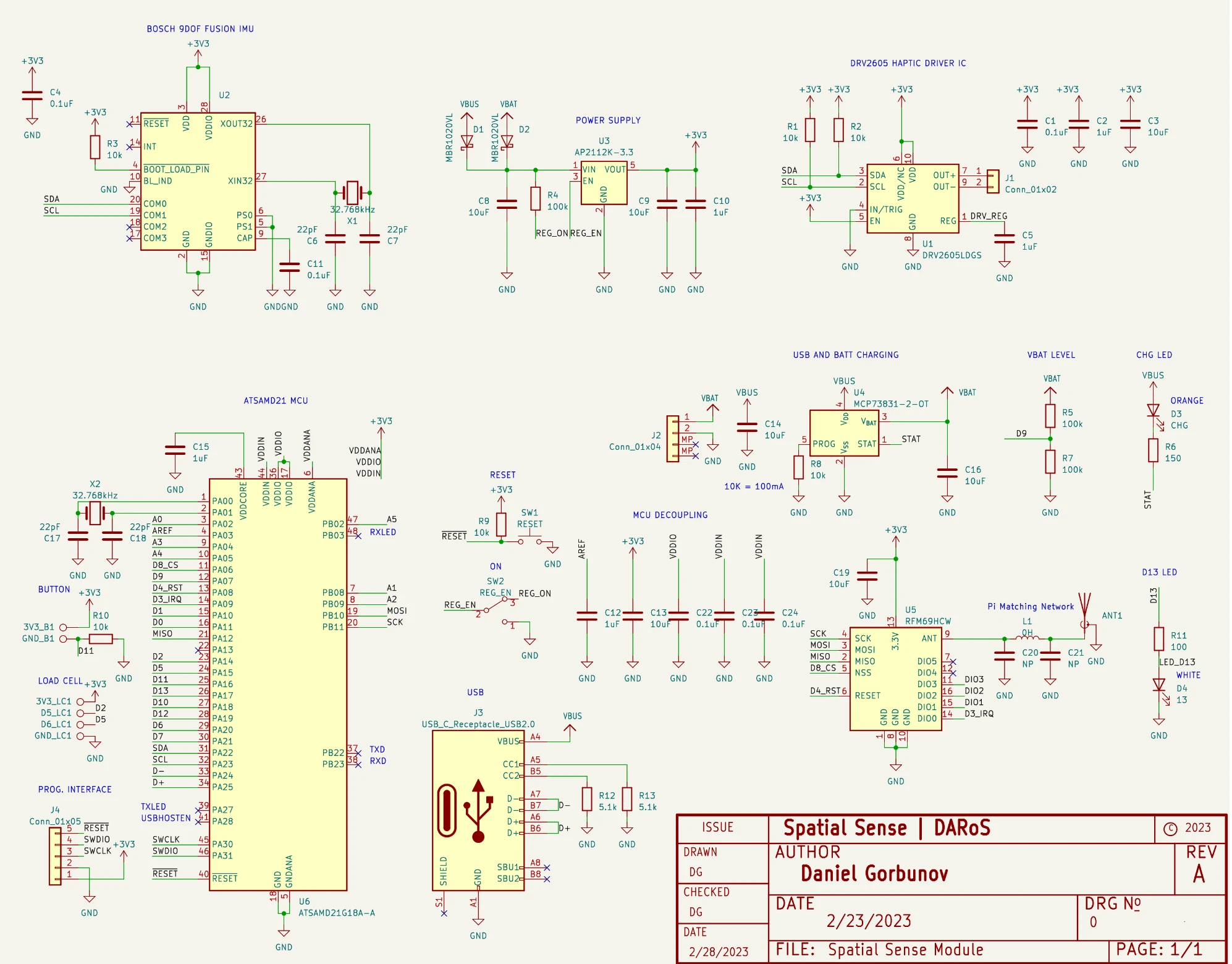
SpatialSense is a full-body wireless motion tracking system with integrated haptic feedback, designed for ultra-low latency applications. The system uses multiple IMU (Inertial Measurement Unit) sensors distributed across the body to capture motion data in real-time, wirelessly transmitting it for processing and visualization.
The haptic feedback component allows for bidirectional communication — the system can not only track motion but also provide tactile feedback to the user based on external events or interactions.
Hardware
The system is built around:
- IMU Sensors: High-precision 9-axis motion sensors (accelerometer, gyroscope, magnetometer)
- Wireless Communication: Low-latency 915 MHz radio protocol for real-time data transmission
- Haptic Actuators: Vibration motors for tactile feedback
- Microcontroller: ATSAMD51-based processing for sensor fusion and communication
Each sensor node is compact and battery-powered, allowing for untethered full-body motion capture.
Features
- Full Body Tracking: Multiple sensor nodes for comprehensive motion capture
- Ultra Low Latency: Optimized wireless protocol for real-time applications
- Haptic Feedback: Bidirectional communication with tactile response
- Wireless Design: Battery-powered nodes with no cables
- Sensor Fusion: Combined accelerometer, gyroscope, and magnetometer data
- Compact Form Factor: Wearable sensor nodes
Applications
- Virtual Reality: Full-body tracking for immersive VR experiences
- Gaming: Motion-controlled gameplay with haptic feedback
- Sports Training: Real-time motion analysis and feedback
- Physical Therapy: Movement tracking for rehabilitation
- Dance and Performance: Motion capture for choreography
This was used for a specific research project at UMass Amherst in 2023, where a visually impaired research participant needed to be able to move around a room with haptic feedback to indicate events determined by the position of a tray they were holding.
